NEWS
Siedle Klingel / Türöffner mit ESP8266 und MQTT
-
Hallo zusammen,
ich habe eine BTS-850-02 in meiner Wohnung.
Weiß jemand von euch, ob es dafür auch eine ESP-Lösung gibt?Es gibt 3 Anschlüsse: Ta, Tb und ERT. Mehr hat die Platine nicht, außer etwas, das nach einer Möglichkeit, Erweiterungsmodule anzuschließen aussieht.
Zwischen Ta und Tb liegen 27 V DC an.
Die Klingel bietet mehrere Funktionen: Haustür öffnen, Treppenhauslicht einschalten und Sprachverbindung zur Haustür.Hier sind die Handbücher:
https://www.manualslib.com/manual/3130399/Sss-Siedle-Bts-850-02-E-S.html#product-BTS 850-02 S
https://www.manualslib.com/manual/3123851/Sss-Siedle-Bts-850-02.html#manual
https://www.manualslib.com/manual/1370717/Sss-Siedle-Aib-150-Series.html#manualIch habe noch das hier gefunden: https://www.siedle.de/xs_db/DOKUMENT_DB/www/Planungs_und_Installationsrichtlinien/Planung_Installation_189968_In-Home-Bus_2005.pdf
Die Spannungen auf dieser Seite scheinen zu passen: https://www.manualslib.com/manual/1370717/Sss-Siedle-Aib-150-Series.html?page=94#manual
-
@tobasium
Danke, das hat mir geholfen :+1:Die Integration von Klingel und Türöffner von meiner HTS-811 in Iobroker per Tasmota und MQTT funktioniert jetzt perfekt.

@Basti97 du kannst dafür einfach Pulsetime in Tasmota verwenden, damit sagst du dann z.B. dass das Relay nach dem einschalten immer nach einer halben Sekunde ausgeschaltet werden soll:
https://tasmota.github.io/docs/Commands/#pulsetime -
Ich will euch mal meine Lösung verraten. Innen habe ich auch die Siedle HTS 711-0 verbaut. Außen ist bei mir die Siedle Vario mit 2 Tastern. An dieser habe ich den Strom(ca. 16Volt AC) an der Soffitte abgegriffen und einen Shelly Uni daran gehangen. Als Leuchte habe ich eine LED mit einer 10mA Mini Miniatur Konstantstromquelle für LEDs KSQ2 angeschlossen.
Der Kontakt kommt direkt vom Siedle Klingeltaster. Der hat auf der Platine zwei Microschalter die gebrückt die Klingel gleichzeitig auslösen. Einen davon habe ich mit dem Cuttermesser auf der Platine getrennt und meinen Kontakt für den Shelly angelötet.
Ich habe Wlan in Tür nähe und die ganze Sache läuft schon ein Paar Tage. Wie lange das alles läuft wird sich zeigen.
Sprechen und Türöffnen geht mit meiner Variante nicht aber mein Ziel ist erreicht:- die Siedle funktioniert wie immer,
- Benachrichtigung per Telegramm mit Foto von der Überwachungskamera,
- Alexa sagt "Es hat an der Haustür geklingelt",
nur das Blockly für das VIS welches aufpoppt, das Tür Foto zeigt und nach einer Minute wieder verschwindet habe ich noch nicht gefunden.
Vieleicht kann mir da einer helfen.
Hey @Sekretär ,
die Lösung klingt super. Die Idee hatte ich auch schon. Beim Klingeltaster liegt ja AC an. 0V im Ruhezustand und ca. 1-2,5 V wenn geklingelt wird (bei mir 6 und 7.1 ). Kannst du mir sagen, welche Kabel du an den Shelly Uni wo angeschlossen hast. Bei mir klappt das nicht so recht... auch nicht, wenn ich vom gebrücktem Microschalter an den Shelly gehe.
Klingelt deine interne Siedle Station noch? -
So jetzt ist meine Klingel (Siedle 801) auch endlich Smart und in iobroker. Das Ganze hat ein wenig länger gedauert als gedacht. Da ein Provisorium doch am besten funktioniert auch wenn es ein "Kabelsalat war". 😅
Aber jetzt habe ich die finale Lösung in meine Klingel eingebaut.Folgendes ist jetzt in iobroker:
- Etagenklingel
- Haustürklingel
- Haustüröffner
- Reedkontakt Wohnungstür
- Status LED 1 5V
- Status LED 2 MQTT/ WLAN/ Zustand
- Status LED 3 Relais 1
- Status LED 4 Relais 2
Optional: - zweiter Relais Ausgang
- 433Mhz Sender/ Empfänger
Das ganze wurde per ESP/ Tasmota gelöst.


-
Hallo zusammen,
super Projekt. Das steht bei mir demnächst auch an. Bin mir nur nicht ganz sicher ob das ganze bei mir auch so passt. Habe auch die Siedle HTA-711 als Handaparat, aber mein Trafo im Schaltschrank (Siedle TRS 711-0) liefert keine 24V DC sondern 12V AC. Dafür werde ich dann wohl eine etwas andere Schaltung benötigen, oder? Wäre nett, wenn mir da jemand weiterhelfen könnte.
VG
EDIT: Habt ihr eine Idee wie man die Klingel im Handapparat via ESP stumm schalten könnte? Ich würde gerne zu bestimmten Zeiten den Klingelton abschalten und mich nur via Handy benachrichtigen lassen.
EDIT2: Ok, ich habe es fast hinbekommen. Die Schaltungen für das Klingelsignal und den Türöffner funktionieren. Jetzt muss ich nur noch schauen ich den nodeMCU mit der Spannung vom Trafo versorgen kann. Aktuell verwende ich noch einen alten externen Wallplug. Aber ich hätte gerne alles versteckt im Handgerät.
Hallo @markio Hast Du es geschafft, aus den 8V auf Klemme 12 (ggü. 9) vernünftige Mengen an Strom zu ziehen?
Oder hat Einer von Euch ne Lösung gefunden, @everlast83 und @eric1905 ?
Ich habe bei mir an Gleichspannungen auch nur die ca. 8V auf der Mikrofon- und Lautsprecherleitung, die beim Abnehmen des Hörers auf ca. 3V zusammenbrechen.
Würde gerne ein GSM Modul in die HTA711-01 rein bauen und ohne externes Netzteil versorgen.
Das braucht beim Senden ca. 220mA (mit Pulsen bis zu 2A), aber das kann ja ein LiPo Akku liefern, der geladen wird, wenn niemand spricht.
Um im GSM Netz registriert zu bleiben, damit die Klingen schnell aufs Handy weitergeleitet werden kann, ist ca. 15mA Dauerstrom nötig, und mit 2-3mA mehr könnte man dann den LiPo Akku laden.
Ich habe über den Türöffnerkontakten ca. 12,5V Wechselspannung (wenn der Öffner betätigt wird, sind das natürlich 0V, weil der Taster im Sprechteil mit dem Türöffner an der Tür in Serie liegt).
Ich frage mich jetzt, wie stark ich diese 12,5V~ belasten könnte, ohne ungewollt den Türöffner zu betätigen.
Es sollte natürlich unten an der Haustür auch nicht dauernd summen, weil der Öffner durch meinen Abgriff war nicht genügend Stom bekommt, um zu öffnen, aber genug, um zu brummen.
War nicht auch mal was, dass die Türöffner eh mit einer Diode versehen sind (und einer entgegengesetzten Diode mit 20 Ohm in Reihe dazu überbrückt), und somit nur die eine Halbwelle nutzen? Dann könnte ich die andere bei mir gleichrichten.Fragen über Fragen... Kennt sich da jemand aus?
Gruß
Erwin@everlast83 said in Siedle Klingel / Türöffner mit ESP8266 und MQTT:
Hallo zusammen,
super Projekt. Das steht bei mir demnächst auch an. Bin mir nur nicht ganz sicher ob das ganze bei mir auch so passt. Habe auch die Siedle HTA-711 als Handaparat, aber mein Trafo im Schaltschrank (Siedle TRS 711-0) liefert keine 24V DC sondern 12V AC. Dafür werde ich dann wohl eine etwas andere Schaltung benötigen, oder? Wäre nett, wenn mir da jemand weiterhelfen könnte.
VG
EDIT: Habt ihr eine Idee wie man die Klingel im Handapparat via ESP stumm schalten könnte? Ich würde gerne zu bestimmten Zeiten den Klingelton abschalten und mich nur via Handy benachrichtigen lassen.
EDIT2: Ok, ich habe es fast hinbekommen. Die Schaltungen für das Klingelsignal und den Türöffner funktionieren. Jetzt muss ich nur noch schauen ich den nodeMCU mit der Spannung vom Trafo versorgen kann. Aktuell verwende ich noch einen alten externen Wallplug. Aber ich hätte gerne alles versteckt im Handgerät.
-
Soo, ich habe das ganze gestern Abend fertig gestellt. Für alle Interessierten anbei mal die Schaltung, der ESP-Code und ein paar Fotos vom Aufbau!

Die Oberseite des ESP habe ich dabei fachmännisch mit Isolierband isoliert, da im Gehäuse direkt untendrunter eine Schraube sitzt :-)
In der LTSpice Simulation erkennt man gut die ca 1.05 V die dann beim Klingeln (12 VAC an 7/1) am Optokoppler anliegen.

Die Spannungsversorgung ist aktuell über einen LD1117V33 und einen normalen 5V USB Netzstecker realisiert.
Prinzipiell könnte man mit einer Erweiterung (die in der Software auch vorgesehen ist) auch über ein Relais den Türöffner betätigen, was ich
aber bei mir jetzt noch nicht realisiert habe.
Bauteile ESP / Spannungsversorgung
-
ESP-01
-
LD1117V33
-
C: 100µF
-
C: 100nF
Bauteile Klingelerkennung
-
PC817
-
1N4007 (hatte keine 1N4148 da, geht aber genauso!)
-
R: 2k2
-
C: 10µF
Schaltung

Programmiert habe ich das ganze mit Arduino.
(*.ino Dateien mag das Board nicht, das .c einfach wieder weg machen :-) )
Wen es interessiert: auf der anderen Seite sitzt ein NodeRED was eine Pushover Nachricht verschickt.
Viele Grüße,
Marcel
@marcel512 sagte in Siedle Klingel / Türöffner mit ESP8266 und MQTT:
1N4148
Kann es sein, dass irgendwas an Deinen Schaltungen nicht stimmt ? In dem Screenshot mit dem zeitlichen Verlauf sieht alles gut aus: Diode > Widerstand > Anode des Optokoppler.
In dem unteren Layout gehst Du aber in die Kathode des Optokopplers und hast damit die Diode in Sperrichtung eingebaut. Kann es sein, dass da ein Fehler ist? -
-
Re: Siedle Klingel / Türöffner mit ESP8266 und MQTT
Guten Abend zusammen, ich habe gesehen, dass in diesem Forum viel Erfahrung mit Siedle-Türklingeln und deren Automatisierung mit einem ESP besteht.
Fasziniert von all den Ausführungen hier wollte ich es selbst versuchen und habe mir eine esp sowie ein Relais und einen DCDC-Wandler zugelegt.
Mein Haus ist mit einer Siedle HTS 811 ausgestattet und ich würde gerne die Türöffnungsfunktion implementieren, um damit zu beginnen.
Leider stehe ich auch nach dem Lesen aller alten Beiträge (viele Bilder sind leider inzwischen gelöscht) vor dem Problem, dass ich nicht weiß, wo ich das Relais anlöten soll, damit es die Tür öffnet.
Ich habe selbst festgestellt, dass es schwierig ist, an diese Gummiknöpfe zu löten und deshalb brauche ich Hilfe.Ich würde mich freuen, von euch zu hören.
-
Re: Siedle Klingel / Türöffner mit ESP8266 und MQTT
Guten Abend zusammen, ich habe gesehen, dass in diesem Forum viel Erfahrung mit Siedle-Türklingeln und deren Automatisierung mit einem ESP besteht.
Fasziniert von all den Ausführungen hier wollte ich es selbst versuchen und habe mir eine esp sowie ein Relais und einen DCDC-Wandler zugelegt.
Mein Haus ist mit einer Siedle HTS 811 ausgestattet und ich würde gerne die Türöffnungsfunktion implementieren, um damit zu beginnen.
Leider stehe ich auch nach dem Lesen aller alten Beiträge (viele Bilder sind leider inzwischen gelöscht) vor dem Problem, dass ich nicht weiß, wo ich das Relais anlöten soll, damit es die Tür öffnet.
Ich habe selbst festgestellt, dass es schwierig ist, an diese Gummiknöpfe zu löten und deshalb brauche ich Hilfe.Ich würde mich freuen, von euch zu hören.
@medaili .... die HTS 811 hat doch diesen türkisfarbenen Knopf, der die Türe öffnet. Ich hab noch nie eine offene HTS 811 gesehen, aber der Knopf schließt doch einen Stromkreis wenn Du Ihn drückst. Und dann lötest Du die "geschaltene" Seite des Relais so an, dass sie ebenfalls diesen Stromkreis schließen kann also quasi ein "paralleler Taster" im Stromkreis ist und eingangsseitig lötest Du es an den Ausgang des ESP Moduls so dass Du durch das "hochziehen" eines GPIOs das Relais zum Schalten bringst. Es verhält sich dann genau so, als ob Du den türkisfarbenen Taster drückst. Hilft Dir das?
Wenn ich Google nach "Siedle Schaltplan 811" ist der erste Treffer einer wo man folgendes drin sieht:

Wenn das stimmt ist die korrekte Antwort auf Deine Frage: Klemm einen Draht an I und einen an 6.1 und verbinde die mit der Ausgangsseite deines Relais, denn genau die beiden schließt der Türöffnungsschalter.
-
Hallo zusammen,
ich würde gerne meine Klingel smart machen mit dem Shelly Plus Uni, da ich zur Miete wohne und daher nur kleine Änderungen machen darf.
Ich habe ein HTS 811-0 Haustelefon in der Wohnung an das ich den Shelly gerne anschließen würde.
Ich bin mir nun etwas unsicher, was den Anschluss angeht und vielleicht kann mir hier ja jemand weiterhelfen.
Es gibt 2 Hausklingeln, eine davon am Tor, eine davon an der Haustür. Bei beiden ertönt der gleiche Klingelton. Wenn die Klingel am Tor betätigt wird, löst die Anlage die Türöffnung dafür aus, wird am Haus geklingelt, wird die Öffnung nur dort ausgelöst (weiß nicht, ob das das relevant ist)
Dazu gibt es 1 Wohnungsklingel. Dort findet kein Öffnen statt, es ist lediglich ein anderer Klingelton.
Was ich nun gerne realisieren würde ist
Benachrichtigungen
Es hat am Tor geklingelt
Es hat am Haus geklingelt
→ Tor und Haus darf auch gerne eine Benachrichtigung sein, wenn das im Shelly selbst nicht unterschieden werden kann
Es hat an der Wohnung geklingelt
ÖffnenÖffnen an Tor
Öffnen an Haus
→ Tor und Haus kann auch im Grunde einen Auslöser haben, wenn die Anlage selbst das dann steuert, was von Beidem geöffnet wird sobald der Shelly das Signal gibt
Das Siedle HTS811-0:

Genauere Sicht auf die Anschlüsse:

Mein Gedanke wäre:
Vac1 (Shelly) – 1 (Siedle)
Vac2 (Shelly) – 7 (Siedle)
In1 (Shelly) – 7 (Siedle)
In2 (Shelly) – ERT (Siedle)
Out1 (Shelly) – 7 (Siedle)
Out1 (Shelly) – 1 (Siedle)Vielen Dank schon einmal für eure Unterstützung.
-
Hallo zusammen,
ich würde gerne meine Klingel smart machen mit dem Shelly Plus Uni, da ich zur Miete wohne und daher nur kleine Änderungen machen darf.
Ich habe ein HTS 811-0 Haustelefon in der Wohnung an das ich den Shelly gerne anschließen würde.
Ich bin mir nun etwas unsicher, was den Anschluss angeht und vielleicht kann mir hier ja jemand weiterhelfen.
Es gibt 2 Hausklingeln, eine davon am Tor, eine davon an der Haustür. Bei beiden ertönt der gleiche Klingelton. Wenn die Klingel am Tor betätigt wird, löst die Anlage die Türöffnung dafür aus, wird am Haus geklingelt, wird die Öffnung nur dort ausgelöst (weiß nicht, ob das das relevant ist)
Dazu gibt es 1 Wohnungsklingel. Dort findet kein Öffnen statt, es ist lediglich ein anderer Klingelton.
Was ich nun gerne realisieren würde ist
Benachrichtigungen
Es hat am Tor geklingelt
Es hat am Haus geklingelt
→ Tor und Haus darf auch gerne eine Benachrichtigung sein, wenn das im Shelly selbst nicht unterschieden werden kann
Es hat an der Wohnung geklingelt
ÖffnenÖffnen an Tor
Öffnen an Haus
→ Tor und Haus kann auch im Grunde einen Auslöser haben, wenn die Anlage selbst das dann steuert, was von Beidem geöffnet wird sobald der Shelly das Signal gibt
Das Siedle HTS811-0:

Genauere Sicht auf die Anschlüsse:

Mein Gedanke wäre:
Vac1 (Shelly) – 1 (Siedle)
Vac2 (Shelly) – 7 (Siedle)
In1 (Shelly) – 7 (Siedle)
In2 (Shelly) – ERT (Siedle)
Out1 (Shelly) – 7 (Siedle)
Out1 (Shelly) – 1 (Siedle)Vielen Dank schon einmal für eure Unterstützung.
@carmen-füßler Wo ist hier der Bezug zu diesem Thread?
Vorstellung eines Systems zur Einbindung in ioBroker!Geht es dir nur um eine Hardwarebastelei oder hast du Probleme mit den beteiligten Adaptern?
-
Hallo zusammen,
ich würde gerne meine Klingel smart machen mit dem Shelly Plus Uni, da ich zur Miete wohne und daher nur kleine Änderungen machen darf.
Ich habe ein HTS 811-0 Haustelefon in der Wohnung an das ich den Shelly gerne anschließen würde.
Ich bin mir nun etwas unsicher, was den Anschluss angeht und vielleicht kann mir hier ja jemand weiterhelfen.
Es gibt 2 Hausklingeln, eine davon am Tor, eine davon an der Haustür. Bei beiden ertönt der gleiche Klingelton. Wenn die Klingel am Tor betätigt wird, löst die Anlage die Türöffnung dafür aus, wird am Haus geklingelt, wird die Öffnung nur dort ausgelöst (weiß nicht, ob das das relevant ist)
Dazu gibt es 1 Wohnungsklingel. Dort findet kein Öffnen statt, es ist lediglich ein anderer Klingelton.
Was ich nun gerne realisieren würde ist
Benachrichtigungen
Es hat am Tor geklingelt
Es hat am Haus geklingelt
→ Tor und Haus darf auch gerne eine Benachrichtigung sein, wenn das im Shelly selbst nicht unterschieden werden kann
Es hat an der Wohnung geklingelt
ÖffnenÖffnen an Tor
Öffnen an Haus
→ Tor und Haus kann auch im Grunde einen Auslöser haben, wenn die Anlage selbst das dann steuert, was von Beidem geöffnet wird sobald der Shelly das Signal gibt
Das Siedle HTS811-0:

Genauere Sicht auf die Anschlüsse:

Mein Gedanke wäre:
Vac1 (Shelly) – 1 (Siedle)
Vac2 (Shelly) – 7 (Siedle)
In1 (Shelly) – 7 (Siedle)
In2 (Shelly) – ERT (Siedle)
Out1 (Shelly) – 7 (Siedle)
Out1 (Shelly) – 1 (Siedle)Vielen Dank schon einmal für eure Unterstützung.
@carmen-füßler
Was kommt denn überhaupt zum Einsatz? Nach ioBroker mutet das ja eher nicht unbedingt an. Zumal Du ja auch (fast) inhaltsgleich an mehreren Stellen postest und der Posthttps://community.simon42.com/t/klingel-smart-durch-shelly-plus-uni/60281
zeitlich vor diesem hier im Forum erfolgte. Hier hast Du nur sicherheitshalber die stromtechnische Unwissenheit weggelassen ;)
-
Hallo zusammen,
ich würde gerne meine Klingel smart machen mit dem Shelly Plus Uni, da ich zur Miete wohne und daher nur kleine Änderungen machen darf.
Ich habe ein HTS 811-0 Haustelefon in der Wohnung an das ich den Shelly gerne anschließen würde.
Ich bin mir nun etwas unsicher, was den Anschluss angeht und vielleicht kann mir hier ja jemand weiterhelfen.
Es gibt 2 Hausklingeln, eine davon am Tor, eine davon an der Haustür. Bei beiden ertönt der gleiche Klingelton. Wenn die Klingel am Tor betätigt wird, löst die Anlage die Türöffnung dafür aus, wird am Haus geklingelt, wird die Öffnung nur dort ausgelöst (weiß nicht, ob das das relevant ist)
Dazu gibt es 1 Wohnungsklingel. Dort findet kein Öffnen statt, es ist lediglich ein anderer Klingelton.
Was ich nun gerne realisieren würde ist
Benachrichtigungen
Es hat am Tor geklingelt
Es hat am Haus geklingelt
→ Tor und Haus darf auch gerne eine Benachrichtigung sein, wenn das im Shelly selbst nicht unterschieden werden kann
Es hat an der Wohnung geklingelt
ÖffnenÖffnen an Tor
Öffnen an Haus
→ Tor und Haus kann auch im Grunde einen Auslöser haben, wenn die Anlage selbst das dann steuert, was von Beidem geöffnet wird sobald der Shelly das Signal gibt
Das Siedle HTS811-0:

Genauere Sicht auf die Anschlüsse:

Mein Gedanke wäre:
Vac1 (Shelly) – 1 (Siedle)
Vac2 (Shelly) – 7 (Siedle)
In1 (Shelly) – 7 (Siedle)
In2 (Shelly) – ERT (Siedle)
Out1 (Shelly) – 7 (Siedle)
Out1 (Shelly) – 1 (Siedle)Vielen Dank schon einmal für eure Unterstützung.
@carmen-füßler sagte in Siedle Klingel / Türöffner mit ESP8266 und MQTT:
Hallo zusammen,
ich würde gerne meine Klingel smart machen mit dem Shelly Plus Uni, da ich zur Miete wohne und daher nur kleine Änderungen machen darf.
Genau deshalb gibt es diesen Thread, weil es nicht mit "Standard Hardware" möglich ist.
Für das, was du willst, gibt es von Siedle Lösungen ohne an der Sprechstelle Veränderungen vorzunehmen. Abgesehen davon ist mir auch nicht klar, wie du den Shelly mit Strom versorgen willst.
Ein weiterer Aspekt ist, dass du zu Miete wohnst. Ich würde die Anlage nicht öffnen oder auch nur "kleine Änderungen" ohne dem Einverständnis vom Vermieter machen.
Auf jeden Fall wird das so nichts. Da sind schon massive Eingriffe in die Anlage nötig.
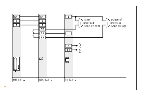
Falls der Vermieter mitmacht, wäre so etwas die Lösung. Daran kannst du dann den Shelly dranhängen. https://www.siedle.de/de-de/produkte/nsc-602-0-nebensignal-controller/

-


Hallo zusammen!das sind schon mal viele tolle Beiträge, kann mir jemand helfen wo ich an meiner Siedle 850 Video Anlage meinen Türöffner schliesser anschliessen könnte?
Ich habe mir einen ESP32-H2 Zigbee mit einem Relais Ausgang gebastelt der 2s schliesst bei aktivieren.
Danke schon mal für eure hilfe!!
-


Hallo zusammen!das sind schon mal viele tolle Beiträge, kann mir jemand helfen wo ich an meiner Siedle 850 Video Anlage meinen Türöffner schliesser anschliessen könnte?
Ich habe mir einen ESP32-H2 Zigbee mit einem Relais Ausgang gebastelt der 2s schliesst bei aktivieren.
Danke schon mal für eure hilfe!!
@hwild
Das scheint ja wohl ein Mehrparteienhaus zu sein und die Bilder sind von der geöffneten Inneneinheit in der Wohnung?EDIT
Dann vermutlich gar nicht, weil die Anlage ein Bussystem hat. Die Inneneinheit wird wohl über den Bus mit Spannung versorgt (+M, M sind nicht belegt) und es sind nur der Etagen-/Türruf (ERT, ETb) angeschlossen, sowie die Monitoreinheit. und damit dürfte auch der Impuls zur Türöffnung über das Bussystem und die Zentraleinheit (im Keller?) laufen. Nebenbei würde ich von einem Bussystem in einem MFH die Finger lassen.
-


Hallo zusammen!das sind schon mal viele tolle Beiträge, kann mir jemand helfen wo ich an meiner Siedle 850 Video Anlage meinen Türöffner schliesser anschliessen könnte?
Ich habe mir einen ESP32-H2 Zigbee mit einem Relais Ausgang gebastelt der 2s schliesst bei aktivieren.
Danke schon mal für eure hilfe!!
schau dir mal die ring intercom an falls das eine alternative für dein vorhaben ist, sieht so aus als wäre diese kompatibel zu deiner siedle BFSV 850-03, zumindest im Datenblatt steht kompatibel, aber du kannst ja auf der Herstellerseite noch mal kontrollieren,
-
@hwild
Das scheint ja wohl ein Mehrparteienhaus zu sein und die Bilder sind von der geöffneten Inneneinheit in der Wohnung?EDIT
Dann vermutlich gar nicht, weil die Anlage ein Bussystem hat. Die Inneneinheit wird wohl über den Bus mit Spannung versorgt (+M, M sind nicht belegt) und es sind nur der Etagen-/Türruf (ERT, ETb) angeschlossen, sowie die Monitoreinheit. und damit dürfte auch der Impuls zur Türöffnung über das Bussystem und die Zentraleinheit (im Keller?) laufen. Nebenbei würde ich von einem Bussystem in einem MFH die Finger lassen.
-
schau dir mal die ring intercom an falls das eine alternative für dein vorhaben ist, sieht so aus als wäre diese kompatibel zu deiner siedle BFSV 850-03, zumindest im Datenblatt steht kompatibel, aber du kannst ja auf der Herstellerseite noch mal kontrollieren,
-
@samson71
Ja genau, das ist ein Mehrparteienhaus und das ist meine Etagenanlage.
Könnte mein Modul natürlich auch im Keller Positionieren. Ich besorge mal Fotos...@hwild sagte in Siedle Klingel / Türöffner mit ESP8266 und MQTT:
Ja genau, das ist ein Mehrparteienhaus und das ist meine Etagenanlage.
Sofern Du nicht der Eigentümer des gesamten Hauses bist, fällt die Anlage vermutlich unter Gemeinschaftseigentum. Da würde ich mich dann sehr zurückhalten was eigenmächtige Basteleien angeht, bzw. das vorher abklären, inwieweit hier individuelle Eingriffe erlaubt sind. So ein Bussystem ist schnell geschrottet.
-
Könnte man an der HTS811-0 die Spannung an 7 und 1 mit einem dc dc Wandler auf 3.3 oder 5v abgreifen? Oder führt das zu probleme? Es liegt ja ca 14 bis 18v gleichspannung an?! @Eisbaeeer
-
Könnte man an der HTS811-0 die Spannung an 7 und 1 mit einem dc dc Wandler auf 3.3 oder 5v abgreifen? Oder führt das zu probleme? Es liegt ja ca 14 bis 18v gleichspannung an?! @Eisbaeeer