Weiter zum Inhalt
  • Home
  • Aktuell
  • Tags
  • 0 Ungelesen 0
  • Kategorien
  • Unreplied
  • Beliebt
  • GitHub
  • Docu
  • Hilfe
Skins
  • Hell
  • Brite
  • Cerulean
  • Cosmo
  • Flatly
  • Journal
  • Litera
  • Lumen
  • Lux
  • Materia
  • Minty
  • Morph
  • Pulse
  • Sandstone
  • Simplex
  • Sketchy
  • Spacelab
  • United
  • Yeti
  • Zephyr
  • Dunkel
  • Cyborg
  • Darkly
  • Quartz
  • Slate
  • Solar
  • Superhero
  • Vapor

  • Standard: (Kein Skin)
  • Kein Skin
Einklappen
ioBroker Logo

Community Forum

donate donate
  1. ioBroker Community Home
  2. Deutsch
  3. Off Topic
  4. Microcontroller
  5. Ahoy-DTU für Hoymiles HMS-Wechselrichter

NEWS

  • Neuer ioBroker-Blog online: Monatsrückblick März/April 2026
    BluefoxB
    Bluefox
    8
    1
    1.7k

  • Verwendung von KI bitte immer deutlich kennzeichnen
    HomoranH
    Homoran
    10
    1
    689

  • Monatsrückblick Januar/Februar 2026 ist online!
    BluefoxB
    Bluefox
    18
    1
    1.2k

Ahoy-DTU für Hoymiles HMS-Wechselrichter

Geplant Angeheftet Gesperrt Verschoben Microcontroller
7 Beiträge 4 Kommentatoren 254 Aufrufe 3 Beobachtet
  • Älteste zuerst
  • Neuste zuerst
  • Meiste Stimmen
Antworten
  • In einem neuen Thema antworten
Anmelden zum Antworten
Dieses Thema wurde gelöscht. Nur Nutzer mit entsprechenden Rechten können es sehen.
  • Wolfgang KleinW Offline
    Wolfgang KleinW Offline
    Wolfgang Klein
    schrieb am zuletzt editiert von
    #1

    Hallo zusammen, ich habe eine funktionierende Ahoy-DTU für Hoymiles HM-Wechselrichter. Da der Wechselrichter wegen Defekt vom Hersteller ausgetauscht wurde, habe ich nun einen HMS-Wechselrichter. Die DTU muss nun das Funkmodul CMT2300A erhalten. (Aliexpress CMT2300A 868/915 MHz Wireless Modul Test Board CDSENT E49-900MBL-01 Vorgelötet E49-900M20S USB Interface Test Board Kit)
    Die DTU besteht aus einem ESP Wroom 32 mit 30 Pin`s. Die alte Antenne war das Funkmodul NRF24L01+
    Da ich keinen Schaltplan gefunden habe, frage ich hier in die Runde ob jemand einen Plan zur Verfügung stellen kann.
    Vielen Dank.

    haselchenH 1 Antwort Letzte Antwort
    0
    • HomoranH Homoran verschob dieses Thema von Einbindung von Geräten am
    • Wolfgang KleinW Wolfgang Klein

      Hallo zusammen, ich habe eine funktionierende Ahoy-DTU für Hoymiles HM-Wechselrichter. Da der Wechselrichter wegen Defekt vom Hersteller ausgetauscht wurde, habe ich nun einen HMS-Wechselrichter. Die DTU muss nun das Funkmodul CMT2300A erhalten. (Aliexpress CMT2300A 868/915 MHz Wireless Modul Test Board CDSENT E49-900MBL-01 Vorgelötet E49-900M20S USB Interface Test Board Kit)
      Die DTU besteht aus einem ESP Wroom 32 mit 30 Pin`s. Die alte Antenne war das Funkmodul NRF24L01+
      Da ich keinen Schaltplan gefunden habe, frage ich hier in die Runde ob jemand einen Plan zur Verfügung stellen kann.
      Vielen Dank.

      haselchenH Offline
      haselchenH Offline
      haselchen
      Most Active
      schrieb am zuletzt editiert von haselchen
      #2

      @Wolfgang-Klein

      Hier erstmal nen Komplett Set

      https://shop.blinkyparts.com/de/OpenDTU-CMT-Deine-Auswertung-fuer-deine-Balkonsolaranlage-kompatibel-zu-Hoymiles-HMS-und-HMT-Serie-CMT-Modul/blink238342

      Auf der Seite findest Du ein Bild wie es angeschlossen ist .

      Und hier die detaillierte Beschreibung

      https://ahoydtu.de/getting_started/

      Mit 2 Stichwörtern bei Google hatte ich das gefunden.
      Woran ist es bei Dir gescheitert ?

      Synology DS218+ & 2 x Fujitsu Esprimo (VM/Container) + FritzBox7590 + 2 AVM 3000 Repeater & Homematic & HUE & Osram & Xiaomi, NPM 10.9.7, Nodejs 22.22.2 ,JS Controller 7.0.7 ,Admin 7.8.24

      1 Antwort Letzte Antwort
      0
      • teletapiT Online
        teletapiT Online
        teletapi
        schrieb am zuletzt editiert von
        #3

        https://allianceapps.io/products/opendtu-fusion-community-edition

        Hol dir das Teil hier und du bist für alles gerüstet und brauchst nix mehr löten. funktioniert für HM und HMS sowie HMT mit allen Software Varianten die es gibt.

        1 Antwort Letzte Antwort
        0
        • Wolfgang KleinW Offline
          Wolfgang KleinW Offline
          Wolfgang Klein
          schrieb am zuletzt editiert von
          #4

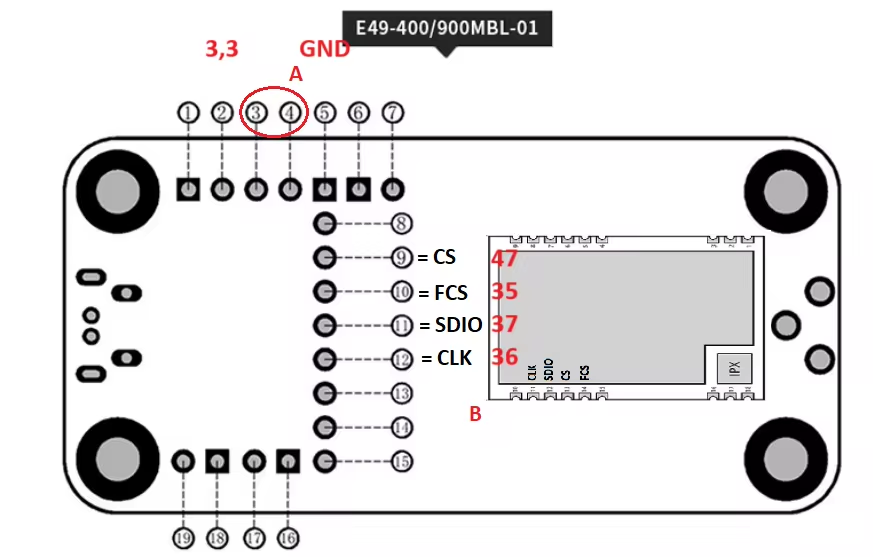
          Ich habe doch eine DTU, ich benötige nur den Schaltplan für dieses Modul.

          grafik.png
          Gibt es bei ALIEXPRESS für ca. 6€

          Samson71S 1 Antwort Letzte Antwort
          0
          • Wolfgang KleinW Wolfgang Klein

            Ich habe doch eine DTU, ich benötige nur den Schaltplan für dieses Modul.

            grafik.png
            Gibt es bei ALIEXPRESS für ca. 6€

            Samson71S Offline
            Samson71S Offline
            Samson71
            Global Moderator
            schrieb am zuletzt editiert von
            #5

            @Wolfgang-Klein
            Den Link zu einem Schaltbild bzw. der Verdrahtung eines CMT2300A hat Dir @haselchen doch oben schon spendiert.

            Markus

            Bitte beachten:
            Hinweise für gute Forenbeiträge
            Maßnahmen zum Schutz des Forums

            Wolfgang KleinW 1 Antwort Letzte Antwort
            -1
            • Samson71S Samson71

              @Wolfgang-Klein
              Den Link zu einem Schaltbild bzw. der Verdrahtung eines CMT2300A hat Dir @haselchen doch oben schon spendiert.

              Wolfgang KleinW Offline
              Wolfgang KleinW Offline
              Wolfgang Klein
              schrieb am zuletzt editiert von
              #6

              @Samson71 sagte in Ahoy-DTU für Hoymiles HMS-Wechselrichter:

              @Wolfgang-Klein
              Den Link zu einem Schaltbild bzw. der Verdrahtung eines CMT2300A hat Dir @haselchen doch oben schon spendiert.

              das ist aber ein 38 PIN ESP, ich habe 30 PIN. Sind die Bezeichnungen trotzdem identisch?

              haselchenH 1 Antwort Letzte Antwort
              0
              • Wolfgang KleinW Wolfgang Klein

                @Samson71 sagte in Ahoy-DTU für Hoymiles HMS-Wechselrichter:

                @Wolfgang-Klein
                Den Link zu einem Schaltbild bzw. der Verdrahtung eines CMT2300A hat Dir @haselchen doch oben schon spendiert.

                das ist aber ein 38 PIN ESP, ich habe 30 PIN. Sind die Bezeichnungen trotzdem identisch?

                haselchenH Offline
                haselchenH Offline
                haselchen
                Most Active
                schrieb am zuletzt editiert von
                #7

                @Wolfgang-Klein

                Sorry, aber das kaue ich Dir jetzt nicht auch noch vor.
                Bemühe doch bitte selbst mal die Suche.
                Hab ich aus Neugier gemacht und in 2sek zig Lösungen/PINOuts/Schaltpläne gefunden.

                Synology DS218+ & 2 x Fujitsu Esprimo (VM/Container) + FritzBox7590 + 2 AVM 3000 Repeater & Homematic & HUE & Osram & Xiaomi, NPM 10.9.7, Nodejs 22.22.2 ,JS Controller 7.0.7 ,Admin 7.8.24

                1 Antwort Letzte Antwort
                0

                Hey! Du scheinst an dieser Unterhaltung interessiert zu sein, hast aber noch kein Konto.

                Hast du es satt, bei jedem Besuch durch die gleichen Beiträge zu scrollen? Wenn du dich für ein Konto anmeldest, kommst du immer genau dorthin zurück, wo du zuvor warst, und kannst dich über neue Antworten benachrichtigen lassen (entweder per E-Mail oder Push-Benachrichtigung). Du kannst auch Lesezeichen speichern und Beiträge positiv bewerten, um anderen Community-Mitgliedern deine Wertschätzung zu zeigen.

                Mit deinem Input könnte dieser Beitrag noch besser werden 💗

                Registrieren Anmelden
                Antworten
                • In einem neuen Thema antworten
                Anmelden zum Antworten
                • Älteste zuerst
                • Neuste zuerst
                • Meiste Stimmen


                Support us

                ioBroker
                Community Adapters
                Donate

                591

                Online

                32.9k

                Benutzer

                83.0k

                Themen

                1.3m

                Beiträge
                Community
                Impressum | Datenschutz-Bestimmungen | Nutzungsbedingungen | Einwilligungseinstellungen
                ioBroker Community 2014-2025
                logo
                • Anmelden

                • Du hast noch kein Konto? Registrieren

                • Anmelden oder registrieren, um zu suchen
                • Erster Beitrag
                  Letzter Beitrag
                0
                • Home
                • Aktuell
                • Tags
                • Ungelesen 0
                • Kategorien
                • Unreplied
                • Beliebt
                • GitHub
                • Docu
                • Hilfe